2024的灌溉用井水重金屬檢驗,確定長期使用的井水沒有重金屬過標的情況。
今年的四塊農地依舊出現些許的鎳,秀潭28號地段,同時也出現其它重金屬數值,不過量也是在安全值內,農舍明年也會再送驗,以確保水源的安全。
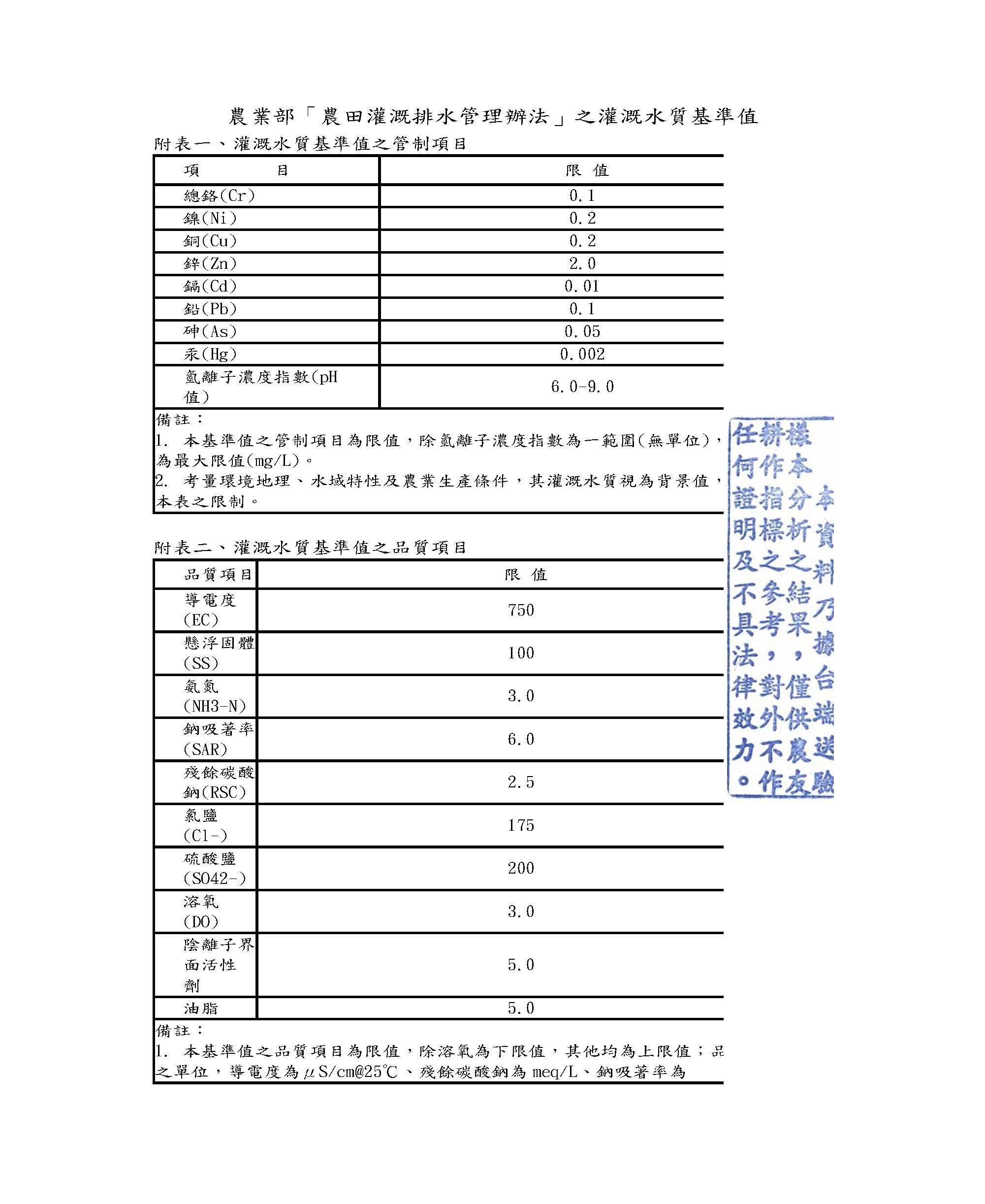
「電導度」與「硫酸鹽」(註1),此二項會超出標準值的原因是「環境背景值」(註2),也就是本來此塊土地的原始情況會產生的結果,並不是由於被汙染所造成的,會這樣判讀是因為結合土壤的分析是正常的,加上台灣在數千年前,大部分的陸地都是在海洋內,是後期地殼變動下,現在看的到陸地才慢慢的出現(隆起)。
地下井水長年存放在「鹽」度較高的土地中,所以「硫酸鹽」的數值在雲嘉南平原會高於標準值,而「硫酸鹽」較高的情況下,連帶的「電導度」也會跟著提高。

檢驗單位:行政院農業委員會農業試驗所
註1:硫酸鹽
註2:環境背景值
